+86-574-86597612
| Nominell Borediameter | Avvik dmp | Variasjon Vdp Serie | Variasjon Vdmp | Konisk boring 1:12 Avvik/ Variasjon | |||||
| > | <= | △dmp | 7.8.9 | 0.1 | 2.3.4 | Vdmp | △dmp | △d1mp-dmp | Vdp |
| 2.5 10 | 0 -8 | 10 | 8 | 6 | 6 | 15 0 | 15 0 | 10 | |
| 10 18 | 0 -8 | 10 | 8 | 6 | 6 | 18 0 | 18 0 | 10 | |
| 18 30 | 0 -10 | 13 | 10 | 8 | 8 | 21 0 | 21 0 | 13 | |
| 30 50 | 0 -12 | 15 | 12 | 9 | 9 | 25 0 | 25 0 | 15 | |
| 50 80 | 0 -15 | 19 | 19 | 11 | 11 | 30 0 | 30 0 | 19 | |
| 80 120 | 0 -20 | 25 | 25 | 15 | 15 | 35 0 | 35 0 | 25 | |
| 120 180 | 0 -25 | 31 | 31 | 19 | 19 | 40 0 | 40 0 | 31 | |
| 180 250 | 0 -30 | 38 | 38 | 23 | 23 | 46 0 | 46 0 | 38 | |
| 250 315 | 0 -35 | 44 | 44 | 26 | 26 | 52 0 | 52 0 | 44 | |
| 315 400 | 0 -40 | 50 | 50 | 30 | 30 | 57 0 | 57 0 | 50 | |
| 400 500 | 0 -45 | 56 | 56 | 34 | 34 | 63 0 | 63 0 | 56 | |
| 500 630 | 0 -50 | 63 | 63 | 38 | 38 | 70 0 | 70 0 | ||
| 630 800 | 0 -75 | 80 0 | 80 0 | ||||||
| 800 1000 | 0 -100 | 90 0 | 90 0 | ||||||
| 1000 1250 | 0 -125 | 105 0 | 105 0 | ||||||
| 1250 1600 | 0 -160 | ||||||||
| 1600 2000 | 0 -200 | ||||||||
| Nominell Ytre diameter | Avvik | Variasjon Vdp Serie | Forseglet lager | Variasjon | Radial gå tom for | |||
| > | <= | △Dmp | 7.8.9 | 0.1 | 2.3.4 | 2 3 4 | VDmp | Kea |
| 6 18 | 0 -8 | 10 | 8 | 6 | 10 | 6 | 15 | |
| 18 30 | 0 -9 | 12 | 9 | 7 | 12 | 7 | 15 | |
| 30 50 | 0 -11 | 14 | 11 | 8 | 16 | 8 | 20 | |
| 50 80 | 0 -13 | 16 | 13 | 10 | 20 | 10 | 25 | |
| 80 120 | 0 -15 | 19 | 19 | 11 | 26 | 11 | 35 | |
| 120 150 | 0 -18 | 23 | 23 | 14 | 30 | 14 | 40 | |
| 150 180 | 0 -25 | 31 | 31 | 19 | 38 | 19 | 45 | |
| 180 250 | 0 -30 | 38 | 38 | 23 | 23 | 50 | ||
| 250 315 | 0 -35 | 44 | 44 | 26 | 26 | 60 | ||
| 315 400 | 0 -40 | 50 | 50 | 30 | 30 | 70 | ||
| 400 500 | 0 -45 | 56 | 56 | 34 | 34 | 80 | ||
| 500 630 | 0 -50 | 63 | 63 | 38 | 38 | 100 | ||
| 630 800 | 0 -75 | 94 | 94 | 55 | 55 | 120 | ||
| 800 1000 | 0 -100 | 125 | 125 | 75 | 75 | 140 | ||
| 1000 1250 | 0 -125 | 160 | ||||||
| 1250 1600 | 0 -160 | 190 | ||||||
| 1600 2000 | 0 -200 | 220 | ||||||
| 2000 2500 | 0 -2503 | 250 | ||||||
| Boredia.(mm) | |||||||
| > | <= | C1(um) | C2(um) | CN(um) | C3(um) | C4(um) | C5(um) |
| -- 24 | 5 15 | 0 25 | 20 45 | 35 60 | 50 75 | 75 100 | |
| 24 30 | 5 15 | 0 25 | 20 45 | 35 60 | 50 75 | 75 100 | |
| 30 40 | 5 15 | 5 30 | 25 50 | 45 70 | 60 85 | 85 110 | |
| 40 50 | 5 18 | 5 35 | 30 60 | 50 80 | 70 100 | 100 130 | |
| 50 65 | 5 20 | 10 40 | 40 70 | 60 90 | 80 100 | 110 140 | |
| 65 80 | 10 25 | 10 45 | 40 75 | 65 100 | 90 125 | 125 160 | |
| 80 100 | 10 30 | 15 50 | 50 85 | 75 110 | 105 140 | 140 175 | |
| 100 120 | 10 30 | 15 55 | 50 90 | 85 125 | 125 165 | 165 205 | |
| 120 140 | 10 35 | 15 60 | 60 105 | 100 145 | 145 190 | 190 235 | |
| 140 160 | 10 35 | 20 70 | 70 120 | 115 165 | 165 215 | 215 265 | |
| 160 180 | 10 40 | 25 75 | 75 125 | 120 170 | 170 220 | 220 270 | |
| 180 200 | 15 45 | 35 90 | 90 145 | 140 195 | 195 250 | 250 305 | |
| 200 225 | 15 50 | 45 105 | 105 165 | 160 220 | 220 280 | 280 340 | |
| 225 250 | 15 50 | 45 110 | 110 175 | 170 235 | 235 300 | 300 365 | |
| 250 280 | 20 55 | 55 125 | 125 195 | 190 260 | 260 330 | 330 400 | |
| 280 315 | 20 60 | 55 130 | 130 205 | 200 275 | 275 350 | 350 425 | |
| 315 355 | 20 65 | 65 145 | 145 225 | 225 305 | 305 385 | 385 465 | |
| 355 400 | 25 75 | 100 190 | 190 280 | 280 270 | 570 460 | 460 550 | |
| 400 450 | 25 85 | 110 210 | 210 310 | 310 410 | 410 510 | 510 610 | |
| 450 500 | 25 95 | 110 220 | 220 330 | 330 440 | 440 550 | 550 660 | |
| 500 560 | 25 100 | 120 240 | 240 360 | 360 480 | 480 600 | 600 720 | |
| 560 630 | 30 110 | 140 260 | 260 380 | 380 500 | 500 620 | 620 740 | |
| 630 710 | 30 130 | 145 285 | 285 425 | 425 565 | 565 705 | 705 845 | |
| 710 800 | 35 140 | 150 310 | 610 470 | 470 630 | 630 790 | 790 950 | |
| 800 900 | 35 160 | 180 350 | 350 520 | 520 690 | 690 860 | 860 1030 | |
| 900 1000 | 35 170 | 200 390 | 390 580 | 580 770 | 770 960 | 960 1150 | |
| 1000 1120 | 50 200 | 220 430 | 430 640 | 640 850 | 850 1060 | 1060 1270 | |
| 1120 1250 | 50 200 | 230 470 | 470 710 | 710 950 | 950 1190 | 1060 1270 | |
| 1250 1400 | 50 200 | 270 530 | 530 790 | 790 1050 | 1050 1310 | 1060 1270 | |
| 1400 1600 | 50 200 | 330 610 | 610 890 | 890 1170 | 1170 1450 | 1060 1270 | |
| 1600 1800 | 50 200 | 380 700 | 700 1020 | 1020 1340 | 1340 1660 | 1060 1270 | |
| 1800 2000 | 50 200 | 400 760 | 760 1120 | 1120 1480 | 1480 1840 | 1060 1270 | |
| Boredia.(mm) | |||||||
| > | <= | C1(um) | C2(um) | CN(um) | C3(um) | C4(um) | C5(um) |
| -- 24 | 10 20 | 15 40 | 30 55 | 40 65 | 50 75 | 75 100 | |
| 24 30 | 15 25 | 20 45 | 35 60 | 45 70 | 55 80 | 80 105 | |
| 30 40 | 15 25 | 20 45 | 40 65 | 55 80 | 70 95 | 95 120 | |
| 40 50 | 17 30 | 25 55 | 45 75 | 60 90 | 75 105 | 105 135 | |
| 50 65 | 20 35 | 30 60 | 50 80 | 70 100 | 90 120 | 120 150 | |
| 65 80 | 25 40 | 35 70 | 60 95 | 85 120 | 110 145 | 145 180 | |
| 80 100 | 35 55 | 40 75 | 70 105 | 95 130 | 120 155 | 155 190 | |
| 100 120 | 40 60 | 50 90 | 90 130 | 115 155 | 140 180 | 180 220 | |
| 120 140 | 45 70 | 55 100 | 100 145 | 130 175 | 160 205 | 205 250 | |
| 140 160 | 50 75 | 60 110 | 110 160 | 145 195 | 180 230 | 230 280 | |
| 160 180 | 55 85 | 75 125 | 126 175 | 160 210 | 195 245 | 245 295 | |
| 180 200 | 60 90 | 85 140 | 140 195 | 180 235 | 220 275 | 275 330 | |
| 200 225 | 60 95 | 95 155 | 155 215 | 200 260 | 245 305 | 305 365 | |
| 225 250 | 65 100 | 105 170 | 170 235 | 220 285 | 270 335 | 335 400 | |
| 250 280 | 75 110 | 115 185 | 185 255 | 240 310 | 295 365 | 365 435 | |
| 280 315 | 80 120 | 130 205 | 205 280 | 265 340 | 325 400 | 400 475 | |
| 315 355 | 90 135 | 145 250 | 225 304 | 290 370 | 355 435 | 435 515 | |
| 355 400 | 100 150 | 165 255 | 225 345 | 330 420 | 405 495 | 495 585 | |
| 400 450 | 110 170 | 185 285 | 285 385 | 370 470 | 455 555 | 555 655 | |
| 450 500 | 120 190 | 205 315 | 315 425 | 410 520 | 505 615 | 615 725 | |
| 500 560 | 130 210 | 230 350 | 350 470 | 455 575 | 560 680 | 680 800 | |
| 560 630 | 140 230 | 260 380 | 380 500 | 500 620 | 620 740 | 740 860 | |
| 630 710 | 160 260 | 295 435 | 435 575 | 565 705 | 685 835 | 935 975 | |
| 710 800 | 170 290 | 325 485 | 485 645 | 630 790 | 775 935 | 935 1095 | |
| 800 900 | 190 330 | 370 540 | 540 710 | 700 870 | 860 1030 | 1030 1200 | |
| 900 1000 | 210 360 | 410 600 | 600 790 | 780 970 | 960 1150 | 1150 1340 | |
| 1000 1120 | 230 400 | 455 665 | 665 875 | 865 1075 | 1065 1275 | 1275 14853 | |
| 1120 1250 | 230 400 | 490 730 | 730 970 | 960 1200 | 1200 1440 | 1275 1485 | |
| 1250 1400 | 230 400 | 550 810 | 810 1070 | 1070 1330 | 1330 1590 | 1275 1485 | |
| 1400 1600 | 230 400 | 640 920 | 920 1200 | 1200 1480 | 1480 1760 | 1275 1485 | |
| 1600 1800 | 230 400 | 700 1020 | 1020 1340 | 1340 1660 | 1660 1980 | 1275 1485 | |
| 1800 2000 | 230 400 | 760 1120 | 1120 1480 | 1480 1840 | 1840 2200 | 1275 1485 | |
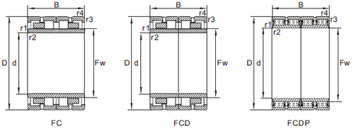
| Modell | Dimensjoner | Nominell belastning | Vekt | Referansemodeller | |||||||||||
betegnelse | d | D | B | Fw | r1,2 min | r3,4min | Design | Dynamisk belastning | Statisk belastning | Ref. | SKF | FAG | NTN | NSK | KOYO |
FCDP100134450 | 500 | 670 | 450 | 540 | 6 | 6 | 11 | 8300 | 22300 | 464 | 316083A | 500RV6712E | |||
FCDP100134450A | 500 | 670 | 450 | 556 | 6 | 6 | 10 | 4500 | 11400 | 458 | 533023 | ||||
FCDP100136450 | 500 | 680 | 450 | 550 | 6 | 6 | 10 | 5775 | 21600 | 500 | BC4B316515 | 546335 | |||
FCDP100138470 | 500 | 690 | 470 | 547 | 6 | 6 | 10 | 7650 | 22500 | 590 | 4R10016 | ||||
FCDP100138510 | 500 | 690 | 510 | 550 | 6 | 6 | 10 | 8850 | 23900 | 580 | 500RV6913 | ||||
FCDP100138510A | 500 | 690 | 510 | 552 | 6 | 6 | 10 | 9000 | 24600 | 580 | 4R10006 | 500RV6921 | |||
FCDP100140500 | 500 | 700 | 500 | 554 | 6 | 6 | 10 | 11600 | 38000 | 615 | 517692 | ||||
FCDP100140515 | 500 | 700 | 515 | 554 | 6 | 6 | 10 | 9100 | 23800 | 622 | 4R10011 | 500RV7021 | |||
FCDP100142480 | 500 | 710 | 480 | 558 | 6 | 6 | 9 | 8500 | 21200 | 632 | 316968A | 530488 | 500RV7111 | ||
FCDP100144400 | 500 | 720 | 400 | 558 | 6 | 6 | 9 | 7920 | 17600 | 530 | BC4B322066 | ||||
FCDP100144530 | 500 | 720 | 530 | 560 | 6 | 6 | 10 | 9950 | 25300 | 782 | 500RV7211 | ||||
FCDP10014530A | 500 | 720 | 530 | 568 | 6 | 6 | 10 | 10800 | 28500 | 780 | 314441B | 513378A | 4R10015 | ||
FCDP102134320 | 510 | 670 | 320 | 354 | 6 | 6 | 1 | 4950 | 12700 | 298 | 510RV6701 | 10FC67320 | |||
FCDP102140540 | 510 | 700 | 540 | 558 | 6 | 6 | 10 | 8300 | 25000 | 690 | 4R10202 | ||||
FCDP102146520 | 510 | 730 | 520 | 565 | 6 | 6 | 10 | 13400 | 42000 | 745 | 541646 | ||||
FCDP102152550 | 510 | 760 | 550 | 570 | 6 | 6 | 10 | 12100 | 26500 | 950 | BC4-8007/HB1 | 517690 | |||
FCDP10216500 | 510 | 680 | 500 | 560 | 6 | 6 | 10 | 8970 | 24700 | 522 | BC4B319411 | 567725A | |||
FCDP104136450 | 520 | 680 | 450 | 562 | 5 | 5 | 10 | 7810 | 22300 | 435 | 10FC68450W | ||||
FCDP104140540 | 520 | 700 | 540 | 564 | 6 | 6 | 10 | 8200 | 25500 | 658 | 4R10403 | ||||
FCDP104144550 | 520 | 720 | 550 | 566 | 6 | 6 | 10 | 9400 | 27700 | 715 | 4R10406 | ||||
FCDP104147535 | 520 | 735 | 535 | 574.5 | 6 | 6 | 10 | 10400 | 26300 | 750 | 4R10402 | 520RV7331 | 104FC74535 | ||
FCDP104150530 | 520 | 750 | 530 | 576 | 6 | 6 | 10 | 13700 | 45000 | 785 | 541647 | ||||
FCDP106140540 | 530 | 700 | 540 | 574 | 6 | 6 | 10 | 8150 | 26500 | 626 | 4R10603 | ||||
FCDP106152520 | 530 | 760 | 520 | 587 | 6 | 6 | 10 | 11700 | 27500 | 798 | 314886A | 531597 | |||
FCDP106152520 | 530 | 760 | 520 | 590 | 6 | 6 | 10 | 9150 | 26700 | 800 | 4R10601 | ||||
FCDP106174670 | 530 | 870 | 670 | 615 | 6 | 6 | 10 | 21200 | 67000 | 1090 | 543481 | ||||
FCDP109162580 | 545 | 810 | 580 | 614 | 6 | 6 | 10 | 13500 | 33400 | 6480 | 109FC81580 | ||||
FCDP110148510 | 550 | 740 | 510 | 600 | 6 | 6 | 10 | 9150 | 25700 | 648 | 316691B | 532843 | 110FC74510 | ||
FCDP110148510A | 550 | 740 | 510 | 602 | 6 | 6 | 10 | 9150 | 25700 | 648 | 550RV7411A | ||||
FCDP112160600 | 560 | 800 | 600 | 620 | 6 | 6 | 10 | 12400 | 31500 | 1020 | 31389A | 560RV8011 | 112FC80600 | ||
FCDP112164600A | 560 | 820 | 600 | 625 | 6 | 6 | 10 | 14200 | 34000 | 1080 | 517687A | 112FC82630 | |||
FCDP112164630 | 560 | 820 | 630 | 625 | 6 | 6 | 10 | 14000 | 452000 | 1240 | 526708 | ||||
FCDP112184710 | 560 | 920 | 710 | 652.5 | 7.5 | 4 | 10 | 19640 | 45400 | 2010 | |||||
FCDP114150530 | 570 | 750 | 530 | 622 | 6 | 6 | 10 | 7000 | 26600 | 625 | |||||
FCDP114160514 | 570 | 800 | 514 | 626 | 6 | 6 | 10 | 10200 | 29200 | 849 | 4R11404 | ||||
FCDP114163594 | 570 | 815 | 594 | 628 | 6 | 6 | 10 | 13700 | 33500 | 964 | 4R11402 | 570RV8111 | |||
FCDP114166600 | 570 | 830 | 600 | 635 | 6 | 6 | 10 | 17600 | 67800 | 1210 | 517686 | ||||
FCDP116170640 | 580 | 850 | 640 | 648 | 6 | 6 | 10 | 18000 | 63400 | 1275 | 517685 | ||||
FCDP118164590 | 590 | 820 | 590 | 649 | 6 | 6 | 10 | 13100 | 35100 | 990 | 118FC82590 | ||||
FCDP120164550 | 600 | 820 | 550 | 660 | 6 | 6 | 10 | 9400 | 30400 | 900 | 518780 | ||||
FCDP120164575 | 600 | 820 | 575 | 660 | 6 | 6 | 10 | 12900 | 35500 | 936 | 315375A | 528518 | 4R12006 | 600RV8212E | 130FC82575 |
FCDP120164575G | 600 | 820 | 575 | 660 | 6 | 6 | 11 | 12900 | 35500 | 936 | 315175C | ||||
FCDP120174540 | 600 | 870 | 540 | 672 | 6 | 6 | 10 | 12080 | 38500 | 1150 | 315068A | 533259 | 4R12002 | ||
FCDP120174640 | 600 | 870 | 640 | 672 | 7.5 | 7.5 | 9 | 15700 | 40000 | 1320 | 315513 | 517684A | 4R12001 | 600RV8713 | 120FC87640 |
FCDP120174640A | 600 | 870 | 640 | 682 | 7.5 | 7.5 | 10 | 15700 | 40000 | 1320 | 314317A | 900RV8711 | |||
FCDP120184680 | 600 | 920 | 680 | 674 | 6 | 6 | 10 | 23000 | 67000 | 1810 | 526536 | ||||
FCDP122164430 | 610 | 820 | 430 | 665 | 6 | 6 | 10 | 9350 | 23600 | 656 | 315257A | ||||
FCDP122170570 | 610 | 850 | 570 | 670 | 6 | 6 | 10 | 12600 | 33000 | 1040 | 610RV8511 | 122FC85570 | |||
FCDP122174660 | 610 | 870 | 660 | 680 | 6 | 6 | 10 | 15200 | 41000 | 1370 | 4R12202 | 610RV8711 | 122FC87660 | ||
FCDP126160360 | 630 | 800 | 360 | 675 | 5 | 5 | 10 | 6850 | 19500 | 440 | 126FC80360 | ||||
FCDP126180670 | 630 | 900 | 670 | 698 | 6 | 6 | 10 | 20800 | 63500 | 1525 | 517683 | ||||
FCDP126184515 | 630 | 920 | 515 | 700 | 7.5 | 7.5 | 10 | 10700 | 17160 | 1182 | |||||
FCDP130180650 | 650 | 900 | 650 | 704 | 7.5 | 7.5 | 10 | 14800 | 41500 | 1260 | BC4-8002/HA6 | ||||
FCDP130184670 | 650 | 920 | 670 | 723 | 7.5 | 7.5 | 10 | 16200 | 44000 | 1470 | 313007C | 515194A | 4R13005 | 650RV9212 | 130FC92670 |
FCDP130184680 | 650 | 920 | 680 | 723 | 7.5 | 7.5 | 10 | 14800 | 47000 | 1510 | 4R13010 | ||||
FCDP130184690 | 650 | 920 | 690 | 723 | 7.5 | 7.5 | 10 | 16600 | 45000 | 1520 | 4R13003 | 950RV9211 | |||
FCDP130184690A | 650 | 920 | 690 | 724 | 7.5 | 7.5 | 10 | 16700 | 45500 | 1490 | 130FC92690 | ||||
FCDP134190690 | 670 | 950 | 690 | 740 | 6 | 6 | 10 | 22400 | 50000 | 1606 | 517382 | ||||
FCDP136196640 | 680 | 980 | 640 | 760 | 7.5 | 7.5 | 10 | 21200 | 45000 | 1219 | 313154C | 524229 | |||
FCDP136204650 | 680 | 1020 | 650 | 803 | 7.5 | 7.5 | 10 | 15700 | 48000 | 1970 | 4R13603 | ||||
FCDP136204680 | 680 | 1020 | 680 | 775 | 7.5 | 7.5 | 10 | 17300 | 49500 | 2060 | 4R13604 | ||||
FCDP13741530 | 670 | 870 | 530 | 725 | 6 | 6 | 10 | 13700 | 34500 | 827 | 533258 | ||||
FCDP138196715 | 690 | 980 | 715 | 767.5 | 7.5 | 7.5 | 10 | 17900 | 48000 | 1790 | 313008A | 517681 | 4R13802 | 690RV9831 | 138FC98715 |
FCDP138196750 | 690 | 980 | 750 | 766 | 7.5 | 7.5 | 10 | 19200 | 53000 | 1880 | 4R13803 | 690RV9812 | 138FC98750A | ||
FCDP140186620 | 700 | 930 | 620 | 763 | 7.5 | 7.5 | 10 | 12900 | 38000 | 1200 | 316967 | 530487 | 4R14003 | 700RV9311 | |
FCDP140196600 | 700 | 980 | 700 | 774 | 7.5 | 7.5 | 5 | 17800 | 49000 | 1720 | 700RV3821 | 140FC98700 | |||
FCDP140200710 | 700 | 1000 | 710 | 770 | 7.5 | 7.5 | 10 | 18900 | 47400 | 1810 | 140FC100710W | ||||
FCDP142200715 | 710 | 1000 | 715 | 787.5 | 7.5 | 7.5 | 10 | 18700 | 50500 | 1850 | 313403C | 517680A | 4R14205 | 210RV1011 | |
FCDP142204710 | 710 | 1020 | 710 | 785 | 7.5 | 7.5 | 10 | 19300 | 49100 | 1940 | 142FC102710 | ||||
FCDP146188500 | 730 | 940 | 500 | 780 | 7.5 | 7.5 | 10 | 12300 | 12500 | 1000 | 526447 | ||||
FCDP146192620 | 730 | 960 | 620 | 790 | 7.5 | 7.5 | 10 | 15000 | 44500 | 1250 | 315982 | 525438 | 730RV9611 | ||
FCDP146206750 | 730 | 1030 | 750 | 809 | 7.5 | 7.5 | 10 | 20650 | 56400 | 2050 | 314518B | 517679 | 760RV1011 | ||
FCDP150200500 | 750 | 1000 | 500 | 816 | 7.5 | 7.5 | 4 | 12100 | 32000 | 1162 | 314420/VJ202 | ||||
FCDP150200670 | 750 | 1000 | 670 | 813 | 7.5 | 7.5 | 10 | 16800 | 49500 | 1520 | 315973 | 524881A | 750RV1011 | ||
FCDP150218615 | 750 | 1090 | 615 | 836 | 7.5 | 7.5 | 10 | 21600 | 43000 | 1966 | 800494 | ||||
FCDP150226670 | 750 | 1133 | 670 | 848 | 7.5 | 7.5 | 10 | 21000 | 50100 | 2460 | 150FC113670 | ||||
FCDP152206750 | 760 | 1030 | 750 | 828 | 7.5 | 7.5 | 10 | 17300 | 59500 | 2000 | 4R15204 | 152FC103750 | |||
FCDP152206750A | 760 | 1030 | 750 | 834 | 7.5 | 7.5 | 10 | 18200 | 53500 | 1880 | 760RV1031 | ||||
FCDP156214780 | 780 | 1070 | 780 | 853 | 7.5 | 7.5 | 10 | 23200 | 65000 | 2310 | BC4-8015/HB1 | 540088 | 156FC107780 | ||
FCDP158203610 | 790 | 1015.9 | 610 | 850 | 7.5 | 7.5 | 10 | 15500 | 48800 | 1290 | 158FC102610 | ||||
FCDP158224810 | 790 | 1120 | 810 | 870 | 7.5 | 7.5 | 10 | 30000 | 69000 | 2605 | 517678 | ||||
FCDP160216700 | 800 | 1080 | 700 | 870 | 7.5 | 7.5 | 10 | 16500 | 55000 | 1950 | 4R16004 | ||||
FCDP160216700A | 800 | 1080 | 700 | 878 | 7.5 | 7.5 | 10 | 19600 | 58000 | 1950 | 315599A | 526169 | 800RV1011 | ||
FCDP160216750 | 800 | 1080 | 750 | 880 | 7.5 | 7.5 | 10 | 18500 | 56000 | 2050 | 4R16005 | 800RV1012 | 160FC108750 | ||
FCDP164226800 | 820 | 1130 | 800 | 903 | 7.5 | 7.5 | 10 | 23900 | 665000 | 2540 | BC4B320455 | 803317 | 4R16406 | 820RV1117 | 165FC113800D |
FCDP164232840A | 820 | 1160 | 840 | 911 | 7.5 | 7.5 | 10 | 23600 | 715000 | 2900 | 4R16403 | 820RV111A | 164FC116840 | ||
FCDP166216710 | 830 | 1080 | 710 | 896 | 7.5 | 7.5 | 10 | 22800 | 62000 | 1725 | 567729 | 4R16601 | 166FC108710 | ||
FCDP168232840 | 840 | 1160 | 840 | 920 | 7.5 | 7.5 | 10 | 24700 | 70800 | 2710 | 4R16801 | 840RV1111 | 168FC116840 | ||
FCDP170230650 | 850 | 1150 | 650 | 941 | 7.5 | 7.5 | 10 | 15700 | 51000 | 1920 | 4R17001 | ||||
FCDP170230800 | 850 | 1150 | 800 | 930 | 7.5 | 7.5 | 10 | 19700 | 71000 | 2430 | 4R17003 | ||||
FCDP170236650 | 850 | 1180 | 650 | 945 | 7.5 | 7.5 | 10 | 19600 | 53000 | 2260 | 4R17004 | 850RV1133 | 170FC118650 | ||
FCDP170236850 | 850 | 1180 | 650 | 928 | 7.5 | 7.5 | 10 | 24100 | 78500 | 2970 | 4R17002 | ||||
FCDP170236850A | 850 | 1180 | 850 | 940 | 7.5 | 7.5 | 10 | 24600 | 72000 | 2850 | 4R17014 | 850RV111 | 170FC118850B | ||
FCDP170244900 | 850 | 1220 | 900 | 940 | 7.5 | 7.5 | 10 | 28000 | 82400 | 3720 | 523397 | ||||
FCDP172226670 | 860 | 1130 | 670 | 934 | 7.5 | 7.5 | 10 | 183200 | 56300 | 1792 | 860RV1132 | ||||
FCDP172228750 | 860 | 1140 | 750 | 938 | 7.5 | 7.5 | 10 | 17200 | 61000 | 2200 | 4R17202 | 172FC114750 | |||
FCDP176228800 | 880 | 1140 | 800 | 946 | 6 | 6 | 10 | 23600 | 77400 | 2210 | 176FC114800 | ||||
FCDP180230840 | 850 | 1150 | 840 | 928 | 7.5 | 7.5 | 10 | 25300 | 73100 | 2586 | 315826A | 545636 | 4R17009 | 850RV1114 | |
FCDP180244840 | 900 | 1220 | 840 | 989 | 7.5 | 7.5 | 10 | 26100 | 78600 | 3075 | 316043 | 527048 | 900RV1212 | ||
FCDP180256930 | 900 | 1280 | 930 | 1000 | 7.5 | 7.5 | 10 | 32500 | 92600 | 4096 | 313528C | 541812 | 900RV1213 | 180FC128930 | |
FCDP1882641000 | 940 | 1320 | 1000 | 1029 | 9.5 | 7.5 | 10 | 41200 | 95600 | 4380 | 517676 | ||||
FCDP1902721000 | 950 | 1360 | 1000 | 1075 | 9.5 | 7.5 | 10 | 37200 | 108000 | 5020 | 314520C | 517369A | 950RV1311 | ||
FCDP190272975 | 950 | 1360 | 975 | 1075 | 9.5 | 7.5 | 10 | 31700 | 97000 | 4900 | BC4B319862 | ||||
FCDP196262880 | 980 | 1310 | 880 | 1061.7 | 9.5 | 7.5 | 10 | 28300 | 83560 | 3320 | 319303 | 580309 | |||
FCDP196272100 | 980 | 1360 | 1000 | 1080 | 12 | 12 | 10 | 41500 | 106000 | 4675 | 517740 | ||||
FCDP198272760 | 990 | 1360 | 760 | 1080 | 12 | 12 | 10 | 30500 | 68000 | 3270 | 522071 | ||||
FCDP200262880 | 1000 | 1310 | 880 | 1080 | 12 | 12 | 10 | 23400 | 88500 | 3260 | 4R20001 | ||||
FCDP200272800 | 1000 | 1360 | 800 | 1090 | 12 | 12 | 10 | 2500 | 85000 | 3530 | 4R20002 | ||||
FCDP200272800A | 1000 | 1360 | 800 | 1101 | 12 | 12 | 10 | 27300 | 80800 | 3574 | 316234A | 527021 | |||
FCDP206276850 | 1030 | 1380 | 850 | 1124 | 12 | 12 | 10 | 24400 | 89000 | 3800 | 4R20601 | 206FC138850A | |||
FCDP2082881000 | 1040 | 1440 | 1000 | 1145 | 12 | 12 | 10 | 44000 | 112000 | 5175 | 517675 | ||||
FCDP212272800 | 1060 | 1360 | 800 | 1137 | 12 | 12 | 10 | 32500 | 91500 | 3005 | 521910 | ||||
FCDP2203001000 | 1100 | 1500 | 1000 | 1194 | 12 | 12 | 10 | 47500 | 116000 | 5360 | 517737 | ||||
FCDP2243161150 | 1120 | 1580 | 1150 | 1255 | 12 | 12 | 10 | 43300 | 134100 | 7420 | 1120RV1511 | ||||
FCDP230300760 | 1150 | 1500 | 760 | 1240 | 12 | 12 | 10 | 33500 | 86500 | 3625 | 518206 | ||||
FCDP2403181050 | 1200 | 1590 | 1050 | 1295 | 12 | 12 | 10 | 36000 | 133000 | 6220 | 4R24002 | ||||
FCDP2403181050A | 1200 | 1590 | 1050 | 1305 | 12 | 12 | 10 | 41200 | 128000 | 5970 | 315494B | 518679 | |||
FCDP2403241150 | 1200 | 1620 | 1150 | 1305 | 12 | 12 | 10 | 58500 | 157000 | 7500 | 518578 | ||||
FCDP2403401150 | 1200 | 1700 | 1150 | 1320 | 12 | 12 | 10 | 64000 | 194000 | 8670 | 518278 | ||||
FCDP2503301000 | 1250 | 1650 | 1000 | 1360 | 12 | 12 | 10 | 48000 | 162000 | 6380 | 534794 | ||||
FCDP2503501370 | 1250 | 1750 | 1150 | 1370 | 12 | 12 | 10 | 65500 | 210000 | 9000 | 525063 | ||||
FCDP254320850 | 1270 | 1602 | 850 | 1354 | 12 | 12 | 10 | 32800 | 111000 | 4200 | 254FC160850 | ||||
FCDP2603401000 | 1300 | 1700 | 1000 | 1410 | 12 | 12 | 10 | 48000 | 172000 | 6600 | 534795 | ||||
FCDP2703701150 | 1350 | 1850 | 1150 | 1470 | 12 | 12 | 10 | 68000 | 198000 | 10050 | 525078 | ||||
FCDP2803801150 | 1400 | 1900 | 1150 | 1520 | 12 | 12 | 10 | 64000 | 156000 | 9470 | 528717 | ||||
FCDP2803801360 | 1400 | 1900 | 1360 | 1521 | 12 | 12 | 10 | 68000 | 180000 | 11300 | BC4-8005/HA4 | ||||
FCDP2962661000 | 1480 | 1830 | 1000 | 1569 | 12 | 12 | 10 | 50000 | 162000 | 3470 | 525213 | ||||
FCDP3003901200 | 1500 | 1950 | 1200 | 1605 | 12 | 12 | 10 | 72000 | 226000 | 10150 | 528807 | ||||
FCDP3003901230 | 1500 | 1950 | 1230 | 1610 | 12 | 12 | 10 | 71000 | 200000 | 9880 | 534900 | ||||
FCDP3203901230 | 1600 | 1950 | 1230 | 1690 | 12 | 12 | 10 | 58500 | 194000 | 8400 | 534899 | ||||
FCDP3204481300 | 1600 | 2240 | 1300 | 1760 | 15 | 15 | 10 | 91500 | 310000 | 16800 | 535085 | ||||
FCDP3248195 | 160 | 240 | 195 | 182 | 3 | 3 | 9 | 1340 | 2600 | 33 | 514057 | ||||
FCDP3452225 | 170 | 260 | 225 | 193 | 4 | 4 | 10 | 2160 | 4300 | 45 | 535331 | ||||
FCDP4062265 | 200 | 310 | 265 | 227 | 2.1 | 2.1 | 9 | 2700 | 4100 | 73 | 514958 | 40FC31265W | |||
FCDP4468290 | 220 | 340 | 290 | 250 | 2.1 | 2.1 | 9 | 2980 | 5010 | 96.5 | 525147 | ||||
FCDP4673250 | 230 | 365 | 250 | 266 | 2.1 | 2.1 | 9 | 2300 | 4890 | 100 | 313581A | 529113 | 230RV3601 | 313581AW | |
FCDP4872290 | 240 | 360 | 290 | 270 | 3 | 3 | 9 | 2850 | 5670 | 100 | 514959 | 48F3529W | |||
FCDP5280290 | 260 | 400 | 290 | 296 | 3 | 3 | 9 | 3520 | 7100 | 135 | 313427 | 518214 | 4R5218 | 260RV4001 | |
FCDP5676290 | 280 | 380 | 290 | 308.53 | 3 | 3 | 9 | 2750 | 6950 | 75.2 | BC4-0001 | ||||
FCDP5678275 | 280 | 390 | 275 | 308 | 3 | 3 | 9 | 2720 | 6130 | 105 | 314719C | 527104 | 280RV3903 | ||
FCDP5682300 | 280 | 410 | 300 | 314 | 4 | 4 | 10 | 3730 | 8400 | 137 | 56FC41300 | ||||
FCDP5684300 | 280 | 420 | 300 | 319 | 4 | 4 | 9 | 3070 | 6470 | 151 | 313487 | 507356 | |||
FCDP6084300 | 300 | 420 | 300 | 332 | 4 | 4 | 9 | 3180 | 7200 | 131 | 31484D | 524289B | 4R6020 | 300RV4221 | 4CR300 |
FCDP6092350 | 300 | 460 | 350 | 341 | 4 | 4 | 10 | 5500 | 9700 | 251 | 517795 | ||||
FCDP6288240 | 310 | 440 | 240 | 345 | 4 | 4 | 9 | 3250 | 5700 | 115 | 574469 | ||||
FCDP64104475 | 320 | 520 | 475 | 367 | 6 | 6 | 10 | 9800 | 21000 | 435 | 522140 | ||||
FCDP6494350 | 320 | 470 | 350 | 357 | 5 | 5 | 9 | 5200 | 9780 | 225 | 532592 | ||||
FCDP6494350A | 320 | 470 | 350 | 361.7 | 5 | 5 | 9 | 4150 | 1090 | 212 | 4R6406 | ||||
FCDP6496350 | 320 | 480 | 350 | 364 | 5 | 5 | 10 | 4600 | 9970 | 232 | 314274B | 513654A | 320RV4811 | ||
FCDP6692340 | 330 | 460 | 340 | 365 | 4 | 4 | 9 | 3400 | 8200 | 175 | 313445C | 543447 | 4R6605 | ||
FCDP6692340A | 330 | 460 | 340 | 364 | 4 | 4 | 10 | 3400 | 8200 | 175 | 340RV4501 | ||||
FCDP68100370 | 340 | 500 | 370 | 385 | 4 | 4 | 10 | 4800 | 10600 | 261 | BC4B322261/HB1 | 517749 | |||
FCDP68120380 | 340 | 560 | 380 | 396 | 4 | 4 | 10 | 5800 | 11880 | 350 | 313404A | 545171 | |||
FCDP70100410 | 350 | 500 | 410 | 388 | 5 | 5 | 10 | 4960 | 12300 | 285 | BC4B322777/HB1 | 532001 | |||
FCDP70100460 | 350 | 500 | 460 | 388 | 5 | 5 | 9 | 6570 | 16500 | 70FC50460 | |||||
FCDP72102380 | 360 | 510 | 380 | 399 | 4 | 4 | 9 | 5200 | 12300 | 246 | 72FC51380 | ||||
FCDP72104380 | 360 | 520 | 380 | 405 | 4 | 4 | 10 | 3350 | 8300 | 270 | 562913 | 72FC52380 | |||
FCDP72108300 | 360 | 540 | 300 | 404 | 4 | 4 | 10 | 4310 | 8680 | 247 | 72FC54300 | ||||
FCDP74104380 | 370 | 520 | 380 | 409 | 4 | 4 | 9 | 4680 | 11790 | 263 | 314486A | 543975 | 370RV5211 | 72FC52380 | |
FCDP74104380 | 370 | 520 | 380 | 409 | 4 | 4 | 10 | 6400 | 12900 | 252 | 524678A | ||||
FCDP76104300 | 380 | 520 | 300 | 416 | 4 | 4 | 9 | 3550 | 9600 | 210 | 4R7607 | ||||
FCDP76108300 | 380 | 540 | 300 | 421 | 4 | 4 | 10 | 4260 | 9900 | 220 | 313030A | 545768 | |||
FCDP76108340 | 380 | 540 | 340 | 422 | 4 | 4 | 10 | 4600 | 10300 | 256 | 76FC54340W | ||||
FCDP76108340 | 380 | 540 | 340 | 421 | 4 | 4 | 9 | 4460 | 10360 | 264 | 380RV5431 | ||||
FCDP76108360 | 380 | 540 | 360 | 422 | 4 | 4 | 9 | 5480 | 12900 | 266 | 76FC54360 | ||||
FCDP76108400 | 380 | 540 | 400 | 422 | 4 | 4 | 9 | 4860 | 12150 | 295 | BC4B313511B | 544794 | 4R7604 | 380RV5411 | 76FC54400BW |
FCDP76108400B | 380 | 540 | 400 | 422 | 4 | 4 | 10 | 6060 | 14200 | 305 | BC4B326366/HB1 | 4R7618 | 76FC54400DW | ||
FCDP76130360 | 380 | 560 | 360 | 422 | 5 | 4 | 10 | 5500 | 1200 | 308 | 76FC56360 | ||||
FCDP78108320 | 390 | 540 | 320 | 431 | 4 | 4 | 10 | 4750 | 10980 | 230 | BC4B322498 | 578278 | |||
FCDP78110310 | 390 | 550 | 310 | 430 | 4 | 4 | 10 | 4680 | 10440 | 240 | 31390A | ||||
FCDP80108380 | 400 | 540 | 380 | 436 | 5 | 5 | 10 | 4320 | 9780 | 273 | 533426 | ||||
FCDP80110300 | 400 | 550 | 300 | 438 | 5 | 5 | 10 | 4230 | 9880 | 214 | 80FC55300 | ||||
FCDP80112360 | 400 | 560 | 360 | 441 | 5 | 5 | 10 | 5570 | 13400 | 277 | 80FC56360 | ||||
FCDP80112400 | 400 | 560 | 400 | 446 | 5 | 5 | 10 | 5370 | 12920 | 322 | 4R8007 | 400RV5612 | 80FC56400W | ||
FCDP80112410 | 400 | 560 | 410 | 445 | 5 | 5 | 10 | 5640 | 13800 | 330 | 313015DC | 513769A | 4R8010 | 400RV5613 | 80FC56410 |
FCDP82112400 | 410 | 560 | 400 | 450 | 5 | 5 | 10 | 5800 | 14310 | 321 | 316689 | 561005 | |||
FCDP82114450 | 410 | 570 | 450 | 452 | 5 | 5 | 10 | 6930 | 17900 | 346 | 517436 | 82FC57480W | |||
FCDP82120440 | 410 | 600 | 440 | 460 | 5 | 5 | 10 | 3880 | 15750 | 340 | 313877B | 410RV6011 | |||
FCDP84120440 | 420 | 600 | 440 | 470 | 5 | 5 | 9 | 7100 | 17200 | 433 | 313513 | 545467 | 4R8407 | 420RV6011 | |
FCDP8488340 | 320 | 440 | 340 | 350 | 4 | 4 | 10 | 5100 | 13200 | 170 | 532220 | ||||
FCDP86114340 | 430 | 570 | 340 | 465 | 5 | 5 | 10 | 6000 | 16800 | 260 | 526415 | ||||
FCDP88124450 | 440 | 620 | 450 | 487 | 5 | 5 | 10 | 4350 | 17800 | 450 | 314554B | 517454A | 4R8801 | 440RV6213 | 88FC62450AW |
FCDP88128420 | 440 | 640 | 420 | 492 | 5 | 5 | 9 | 7820 | 18400 | 470 | 88FC64420 | ||||
FCDP88130355 | 440 | 650 | 355 | 494 | 5 | 5 | 10 | 6700 | 14000 | 420 | 316899A | ||||
FCDP90108435 | 450 | 590 | 435 | 486 | 5 | 5 | 10 | 5150 | 14800 | 345 | 542648 | ||||
FCDP92122322 | 460 | 610 | 322 | 499 | 5 | 5 | 10 | 410 | 14600 | 290 | 526420 | ||||
FCDP92124320 | 460 | 620 | 320 | 500 | 5 | 5 | 9 | 4800 | 16200 | 296 | 526026 | ||||
FCDP92124400 | 460 | 620 | 400 | 502 | 5 | 5 | 10 | 6400 | 16600 | 368 | 4R8223 | 460RV6211 | 92FC62400BW | ||
FCDP92124460 | 460 | 620 | 460 | 502 | 5 | 5 | 10 | 7100 | 17100 | 427 | 460RV6212 | ||||
FCDP92130355 | 460 | 650 | 355 | 509.5 | 5 | 5 | 10 | 6240 | 14100 | 386 | 313031A | ||||
FCDP92130424 | 460 | 650 | 424 | 510 | 5 | 5 | 10 | 7510 | 17620 | 458 | 315196A | 513584A | |||
FCDP92130470 | 460 | 650 | 470 | 509 | 5 | 5 | 10 | 8680 | 20900 | 523 | 314650 | 518846 | 4R9216 | 460RV6511 | 92FC65470W |
FCDP92132475 | 460 | 660 | 475 | 508 | 5 | 5 | 10 | 11000 | 35000 | 585 | 517693 | ||||
FCDP92140540 | 460 | 700 | 540 | 519 | 5 | 5 | 9 | 12000 | 37500 | 786 | 529368 | ||||
FCDP93160340 | 480 | 650 | 340 | 522 | 5 | 5 | 9 | 6550 | 18400 | 320 | 316690B | 525884 | |||
FCDP96130420 | 480 | 650 | 420 | 522 | 5 | 5 | 10 | 9120 | 23700 | 440 | 525912 | ||||
FCDP96130450 | 480 | 650 | 450 | 525 | 5 | 5 | 11 | 7680 | 21000 | 440 | 547659 | ||||
FCDP96130460 | 480 | 650 | 460 | 526 | 5 | 5 | 9 | 7730 | 20800 | 443 | 96FC65460 | ||||
FCDP96136420 | 480 | 680 | 420 | 528 | 5 | 5 | 10 | 7840 | 19100 | 515 | 319320 | 533522 | |||
FCDP96136500 | 480 | 680 | 500 | 528 | 5 | 5 | 10 | 8570 | 2300 | 605 | 316624 | ||||
FCDP96136500 | 480 | 700 | 500 | 534 | 5 | 5 | 10 | 9200 | 34200 | 675 | 546125 | ||||
FCDP96136500A | 480 | 680 | 500 | 532 | 5 | 5 | 10 | 8790 | 23700 | 585 | 313516D | 514445B | 4R9604 | ||
FCDP96136500A1 | 480 | 680 | 500 | 534 | 5 | 5 | 10 | 9000 | 23100 | 620 | 480RV6810 | 96FC68500 | |||
FCDP96138460 | 480 | 680 | 460 | 532 | 5 | 5 | 10 | 8620 | 21300 | 545 | 96FC68460 | ||||
FCDP96140500 | 480 | 700 | 400 | 538 | 5 | 5 | 10 | 7650 | 17400 | 538 | 480RV7031 | ||||
FCDP961405303 | 480 | 700 | 530 | 536 | 5 | 5 | 9 | 8300 | 31500 | 720 | 523399 | ||||
Års erfaring med arbeid
Kundeservice
Patentert teknologi
Ningbo DHK Precision Bearing Co., Ltd. ("DHK" for kort) er en spesialistbedrift engasjert i FoU, produksjon og salg av lagre, som ligger i Ningbo Zhenhai Economic Development Zone med praktisk transport. Siden etableringen i over et tiår har "teknologi", "kvalitet" og "service" alltid vært de første problemene i vårt sinn for utviklingens skyld. Vi leverer pålitelige produkter og spesialtilpassede tjenester for globale virksomheter innen tung industri og har fått tilfredshet og vunnet godt rykte til en rekke virksomheter i inn- og utland.
DHK produserer hovedsakelig sylindriske rullelager, koniske rullelager, selvjusterende rullelager, kulelager, samt ulike typer ikke-standard lagre og lagre med spesialbehandlet overflate. Så langt har DHKs lagre blitt mye brukt i slike felt som ingeniørmaskiner, industripumper, maskinverktøy, kompresjonsmotor, girkasse, vindkraft og metallurgi i utviklede europeiske og amerikanske land.
DHK har målerommet og inspeksjonsrommet for lagre i industrien og har introdusert topp-end inspeksjonsutstyr over hele verden og etablert QC-systemet i Kina, og garanterer dermed produktkvalitet på en allsidig måte.
2024-12-02 Bransjenyheter
2024-11-25 Bransjenyheter
2024-11-18 Bransjenyheter
2024-11-11 Bransjenyheter
2024-11-04 Bransjenyheter
2024-10-28 Bransjenyheter
Kontakt oss og få tilbudsprioritet for å lære om vårt nye produkt!








